| Estado de Disponibilidad: | |
|---|---|
FCST-th-SMC01
FCST
FCST-TH-SMC01
Descripción general del producto
La cámara de registro de telecomunicaciones FCST-TH-SMC01 está meticulosamente diseñada para ofrecer soluciones integrales de protección, almacenamiento, instalación de equipos y mantenimiento para la colocación subterránea de cajas de empalme y productos de cable de fibra óptica. Este producto no solo cuenta con una alta estabilidad, una vida útil prolongada y una resistencia a la presión excepcional, sino que también facilita el montaje.
Excelente resistencia a la corrosión y a la intemperie.
Buen aislamiento eléctrico y retardante de llama.
La profundidad se puede apilar según las necesidades.
Diseño ligero utilizando materiales compuestos SMC.
La estructura prefabricada reduce los costos de construcción en el sitio.
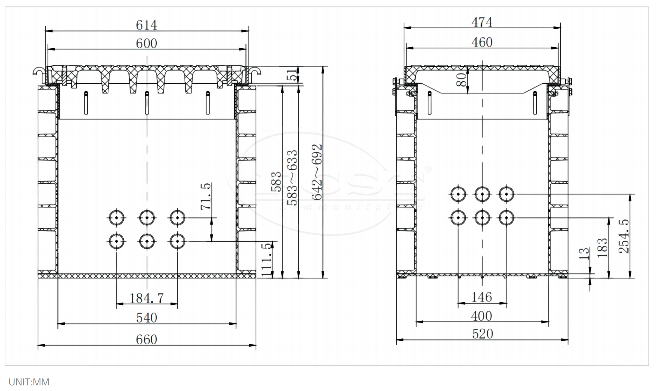
Dimensiones internas: 540*400*583mm. (21,26'x15,749'x22,953') .
Cumple con la norma EN124. (B125 (12.5T)/C250 (25T)/D400 (40T)).
Alrededor del lado exterior del pozo están dispuestos refuerzos transversales y verticales, que también se combinan estrechamente con la capa de suelo apisonado. No es fácil moverse y aflojarse después de rodar.
Especificaciones del producto
| Construcción | Descripción |
| Estándar ejecutivo | EN124 |
| Material | SMC |
| Grado de carga de cobertura | B125(12,5T) | C250(25T) | D400(40T) |
| Longitud | 540,00 mm | 21,26 pulgadas |
| Ancho | 400,00 mm | 15,749 pulgadas |
| Profundidad | 583,00 mm | 22.953 pulgadas |
| Peso | 55 kg (1 capa) |
| Grado de retardante de llama | V0 |
| Logotipo de requisitos ambientales | Conoce a ROHS disponibles |
| Temperatura de trabajo | -40°C~+65°C |
| Temperatura de almacenamiento | -40°C~+70°C |
| Vida útil | 30 años |
Tamaño del producto
| Tamaño externo (largo x ancho x profundidad) | Dimensiones internas (L*W*D) | Grado de carga de cobertura |
| 660*520*642 mm (25.985'x20.473'x25.276') | 540*400*583 mm (21,26'x15,749'x22,953') | B125 (12.5T)/C250 (25t)/D400 (40T) |
Aplicación de productos
Nota : La aplicación práctica de esta cámara de registro compuesta, que cubre muchos campos como la administración municipal, energía eléctrica, electricidad, agua , administración de carreteras y drenaje.
A cada lado del producto. El tamaño del orificio de perforación se puede ajustar en el sitio de construcción de acuerdo con el tamaño real del tubo de silicio HDPE/ microconducto HDPE.
Descripción general del producto
La cámara de registro de telecomunicaciones FCST-TH-SMC01 está meticulosamente diseñada para ofrecer soluciones integrales de protección, almacenamiento, instalación de equipos y mantenimiento para la colocación subterránea de cajas de empalme y productos de cable de fibra óptica. Este producto no solo cuenta con una alta estabilidad, una vida útil prolongada y una resistencia a la presión excepcional, sino que también facilita el montaje.
Excelente resistencia a la corrosión y a la intemperie.
Buen aislamiento eléctrico y retardante de llama.
La profundidad se puede apilar según las necesidades.
Diseño ligero utilizando materiales compuestos SMC.
La estructura prefabricada reduce los costos de construcción en el sitio.
Dimensiones internas: 540*400*583mm. (21,26'x15,749'x22,953') .
Cumple con la norma EN124. (B125 (12.5T)/C250 (25T)/D400 (40T)).
Alrededor del lado exterior del pozo están dispuestos refuerzos transversales y verticales, que también se combinan estrechamente con la capa de suelo apisonado. No es fácil moverse y aflojarse después de rodar.
Especificaciones del producto
| Construcción | Descripción |
| Estándar ejecutivo | EN124 |
| Material | SMC |
| Grado de carga de cobertura | B125(12,5T) | C250(25T) | D400(40T) |
| Longitud | 540,00 mm | 21,26 pulgadas |
| Ancho | 400,00 mm | 15,749 pulgadas |
| Profundidad | 583,00 mm | 22.953 pulgadas |
| Peso | 55 kg (1 capa) |
| Grado de retardante de llama | V0 |
| Logotipo de requisitos ambientales | Conoce a ROHS disponibles |
| Temperatura de trabajo | -40°C~+65°C |
| Temperatura de almacenamiento | -40°C~+70°C |
| Vida útil | 30 años |
Tamaño del producto
| Tamaño externo (largo x ancho x profundidad) | Dimensiones internas (L*W*D) | Grado de carga de cobertura |
| 660*520*642 mm (25.985'x20.473'x25.276') | 540*400*583 mm (21,26'x15,749'x22,953') | B125 (12.5T)/C250 (25t)/D400 (40T) |
Aplicación de productos
Nota : La aplicación práctica de esta cámara de registro compuesta, que cubre muchos campos como la administración municipal, energía eléctrica, electricidad, agua , administración de carreteras y drenaje.
A cada lado del producto. El tamaño del orificio de perforación se puede ajustar en el sitio de construcción de acuerdo con el tamaño real del tubo de silicio HDPE/ microconducto HDPE.